Cách thiết lập Poly studio chi tiết nhất
Trong bài viết dưới đây chúng tôi hướng dẫn chi tiết cách thiết lập thiết bị hội nghị Poly Studio từ A-Z. Xem hướng dẫn Thông báo quy định của Poly Studio để biết tất cả các hướng dẫn về quy định và an toàn trước khi cấu hình.

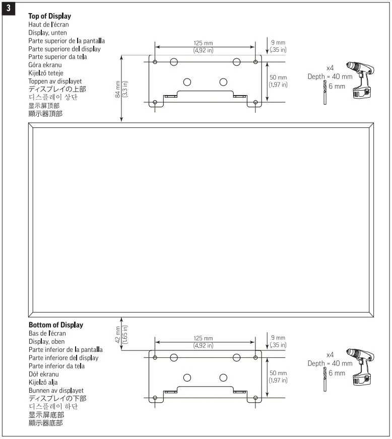
THẬN TRỌNG: Đảm bảo rằng tường có thể chịu được trọng lượng của sản phẩm (6,25 lbs / 3 kg). Sử dụng phần cứng gắn và neo thích hợp cho loại tường. Việc không cung cấp đủ độ bền kết cấu có thể dẫn đến hư hỏng thiết bị, làm mất hiệu lực bảo hành và có thể gây thương tích nghiêm trọng cho cá nhân. Trình cài đặt chịu trách nhiệm tuân thủ tất cả các quy tắc xây dựng hiện hành và các yêu cầu của khu vực tài phán địa phương, tiểu bang và liên bang.



Thông số kỹ thuật
Bộ đổi nguồn 12VDC / 5A @ 100 ~ 240VAC, 50/60 Hz
Xem thêm:
Hướng dẫn sử dụng thanh video USB Poly Studio chi tiết nhất



